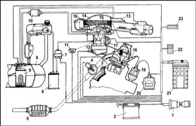
SPFI Single Point Fuel Injection — это система дозированного впрыска топлива через одну форсунку (инжектор). Расположена форсунка обычно в корпусе дроссельной заслонки, а автомобили, оснащенные подобной системой, называются инжекторными. Главные преимущества использования подобной конструкции — бюджетная стоимость. За управление отвечают специальные микроконтроллеры, которые и определяют длительность момента открытия форсунки. Регулировка системы обеспечивается специальными датчиками, дающими полную информацию о работе двигателя, концентрации кислорода в отработанных газах, а также других параметрах основных систем авто.
